산업-강도 LED 조명
LED 이미터(LED emitter) 성능이 지속적으로 증가함에 따라 반도체 조명은 메탈핼라이드 또는 나트륨-형태의 램프를 통해
전통적으로 지원되었던 애플리케이션에서 에너지 소모 절감, 수명 연장 등과 같은 이점을 제공할 수 있다. 이러한 것으로는
가로등은 물론 주차장, 톨게이트, 주유소, 물류창고, 공장 등에서 사용되는 하이베이(highbay) 조명 또는 스포트라이트 등이
있다. LED가 제공하는 성능 이점을 통해 기업들은 운영비용을 절감하고 환경인증 활동을 향상시킬 수 있으며, 관계당국이
유틸리티 비용과 유지관리 비용을 줄일 수 있도록 지원할 수 있다.
이와 같은 시장 성장을 지원하기 위해서는 일반적인 주거용 레트로피트 또는 인테리어 조명보다 높은 전력 수준에서 고효율
을 제공하데 적합한 드라이버가 필요하다. 이와 같은 상대적으로 낮은 전력의 애플리케이션들은 일반적으로 기본적인
플라이백 컨버터 토폴로지를 사용해 왔는데 이 토폴로지는 상대적으로 복잡하지 않으면서 일반적으로 50W 미만의 절연 LED
드라이버에 대해 최상의 솔루션을 제공한다. 하지만, 가로등과 하이베이 조명에서 일반적으로 사용되는50W에서 250W까지의
전력 범위에서는 플라이백은 공진 컨버터와 같은 토폴로지와 비교해 부피가 크며 낮은 효율 특성을 나타낸다.
공진 컨버터 토폴로지는 상대적으로 높은 전력 수준에서 전기적 절연, 고효율, 작은 자기 컴포넌트, 출력에서 전해 커패시터
불필요 등과 같은 다양한 이점을 제공한다. 이러한 이점들을 통해 엔지니어는 높은 전력밀도와 소형 크기를 달성할 수 있다.
공진 LED 드라이버는 공진 전력 공급기와 동일한 기본 설계를 가지며, 프론트-엔드 역율 보정 단 다음에 출력에 렉티파이어와
필터를 가지는 공진 절연 및 스텝-다운 단이 있는 2단 시스템으로 구성되어 있다. 두 설계의 중요한 차이점은 제어 시스템에
있다. 전력공급기는 레귤레이션된 고정 출력 전압을 생성하는 반면 LED 드라이버는 고정 출력 전류를 생성해야만 한다.
공진 LED 드라이버의 동작
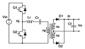
그림 1은 공진 토폴로지를 사용하는 LED 드라이버의 기본적인 블록다이어그램을 나타낸 것이다. 프론트-엔드 PFC 단은 전파
(full-wave) 정류 AC 라인 전압을 일반적으로 400V에서 500V 사이의 DC 버스 전압으로 변환하는 부스트 레귤레이터로 구성되어
있다. DC 버스 전압 피드백 루프는 많은 AC 라인 주기들에 대해 느리게 반응하기 때문에 MOSFET 온 타임이 사이클 중에 반드시
일정하게 유지된다.

AC 라인 사이클이 0의 교차점에 근접할수록 제어 IC는 일반적으로 온 타임을 증가시킨다. 이것은 교차 왜곡을 보상하고 THD
(Total Harmonic Distortion)를 감소시키는 역할을 한다. 대부분의 컨트롤러는 연속 및 비연속 도전 모드 사이에 있는 경계 조건
에서임계 도전 모드(CrM, critical conduction mode)로 동작한다. 오프 타임은 사인곡선에 근접한 AC 입력 전류를 생성하는
AC 라인 주기에서 변화한다. PFC 인덕터는 피크 전류(iPK) 및 최대 동작 온도 조건에서 포화 상태를 방지할 수 있도록 설계
되어야만 한다.
백-엔드 단은 DC 버스 전압을 보다 낮은 전압의 정전류를 제공하는 DC 출력으로 변환하는 LLC 공진 컨버터로 구성되어 있다.
트랜스포머는 절연과 전압 변환 기능을 제공하는 핵심 요소이다. 그림 1의 블록 다이어그램의 경우, 트랜스포머가 커패시터를
직렬로 연결한 공진 회로를 형성하는 높은 1차 누설 인덕턴스를 통합하고 있으며, 이것은 또한 DC 차단 기능을 제공한다.
대안적인 접근법은 표준 트랜스포머 설계를 사용하고 외부 공진 인덕터를 추가하는 것이다.
그림 2는 기본적인 LLC 공진 컨버터 회로를 나타낸 것이다.

트랜스포머 2차 회로는 2개의 권선과 2개의 렉티파이어 다이오드로 구성되어 있다. 고전류 설계가 동기식 정류 MOSFET를 사용
할지라도 이것은 일반적으로 도전 손실을 최소화시킬 수 있는 쇼트키 다이오드를 사용한다. 출력에서 나타나는 대부분의 리플
(ripple)이 스위칭 주파수의 2배이기 때문에 인덕터와 결합하여 세라믹 필터 커패시터를 사용함으로써 출력에서 상당히 낮은
리플을 보장할 수 있다.
하프-브리지 스위치는 50%의 듀티 사이클 조건에서 동작하며, 출력 전압은 스위칭 주파수를 변화시킴으로써 레귤레이션된다.
LED 구동 전류 역시 주파수를 조정함으로써 효과적으로 레귤레이션할 수 있다. 따라서 최대 60V의 저전압 안전성 한계까지의
출력에 연결된 특정한 수의 LED를 위해 필요한 구동 전류를 제공할 수 있는 주파수를 선택할 수 있다. 하프-브리지 공진 단은
2개의 공진 주파수를 가진다. 첫 번째는 직렬 인덕터(Lr)와 공진 커패시터(Cr)에 의해 결정되지만, 두 번째는 Cr과 트랜스포머
자화 인덕턴스(Lm, transformer magnetising inductance)에 의해 결정된다. 소프트 스위칭이 나타나며 주파수는 유도 영역으로
유지된다.
회로 및 트랜스포머 설계
LLC 공진 회로를 상당히 간편하게 모델링하여 컨버터 주파수 응답을 분석하기 위해 시뮬레이션할 수 있다. 그림 3에 나타낸
3개의 각기 다른 모드에 기반하여 특성을 3가지 영역으로 구분할 수 있다.

공진 회로를 설계하는 데 있어서 중요한 작업은 이득 곡선의 기울기를 제어하여 순환하는 전력 손실을 최소화시키기 위해서
트랜스포머 자화 인덕턴스 Lm과 공진 인덕턴스 Lr 사이의 비율을 최적화시키는 것이다. 3에서 10 사이의 비율이 일반적으로
권고된다.
Lr 및 Cr 값은 여러 차례 시뮬레이션을 실행한 후 결정하거나 최대 Q 값과 필요한 공진 주파수를 통해 계산할 수 있다. 최대
Q는 컨버터가 ZVS 상태를 유지할 수 있도록 계산할 수 있다. 최대 Q는 최소 입력 전압 및 최대 부하 조건에서 나타난다. 스프
레드시트 또는 Mathcad 스크립트를 사용하여 필요한 값들을 간단하게 계산할 수 있다.
트랜스포머 설계 절차를 위한 다양한 방법들이 있다. 가장 복잡한 기술적 과제는 Lr를 통합하는 것이다. 일반적으로
트랜스포머가 구성된 다음에 Lr이 측정되기 때문에 엔지니어들은 다시 시뮬레이션을 하여 실제 트랜스포머 특성에 기반하여
회로 파라미터들을 다시 계산해야 한다.
공진 드라이버 제어 방법
제어 IC 역시 필요하다. IRS2548D과 같은 ‘콤보’ PFC + 하프브리지 드라이버 IC를 사용하여 컴포넌트 수를 낮추고 드라이버의
물리적 크기를 줄일 수 있다. 이 컨트롤러는 상위 브리지 MOSFET(upper bridge MOSFET)를 위해 부동 상측(floating high-side)
게이트 드라이버를 통합하고 있는 공진 하프 브리지뿐만 아니라 프론트-엔드 PFC 회로를 제어하는 데 필요한 모든 기능을 포함
하고 있다. 전통적인 피드백 회로와 옵토아이솔레이터(opto-isolator)를 사용하여 하프-브리지 주파수를 조정할 수 있다.
출력 전류는 션트 레지스터를 통해 감지되어 2차 측에 있는 OP앰프를 통해 레퍼런스와 비교된다. 에러 신호는 옵토 다이오드를
구동하고 트랜지스터가 IRS2548D 주파수 제어 입력으로부터의 전류를 싱크(sink)시켜 주파수를 증가시킴으로써 출력 전류를
요구되는 수준으로 낮춘다.
전압 감지 회로를 추가하여 개방-회로 고장 발생 시 출력 전압이 설정 수준을 초과하지 않도록 방지할 수 있다. 단일
옵토아이솔레이터를 구동하기 위해 통합된 출력을 제공하는 정확한 레퍼런스와 함께 전압 및 전류 피드백 OP앰프 모두를 통합한
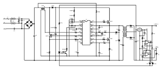
이와 같은 애플리케이션을 위해 특별히 설계된 다양한 IC들이 제공되고 있다. 그림 4는 IRS2548D 컨트롤러를 사용하는 전체
드라이버를 나타낸 것으로 적은 수의 외부 컴포넌트들이 필요하다는 것을 알 수 있다. 최적의 PFC 인덕터와 트랜스포머를
선택함으로써 전체 솔루션 크기를 소형화할 수 있다.

요약
반도체 조명(solid-state lighting)은 에너지 절감 레트로피트 전구, 디지털 사인 등과 같은 내부 애플리케이션에서 매우 일반적인
것으로 검증이 완료되었다. 저전력 소모 특성, 동작 수명 시간 증대, 유연성 증대 등이 핵심 장점이며, 이러한 장점은 50W에서
250W까지의 전력 범위에 있는 가로등, 산업용 하이베이 조명 등과 같은 상대적으로 높은 전력의 조며 애플리케이션에서도 역시
매력적이다. 고전력 LED를 이와 ?은 프로젝트들에 성공적으로 적용시키기 위해서는 드라이버 설계에 대해 한가지 다른 접근방법
을 요구하는 데 공진 컨버터 토폴로지를 사용하여 이를 해결할 수 있다. 회로-시뮬레이션 기법과 최적의 제어 IC가 제공되어 공진
드라이버의 설계를 단순화시켜 가능한 최상의 에너지 효율을 달성할 수 있다.
출 처: 반도체네트워크 원문보러가기