| 제품정보
| 
| - HF-KP73 SERVOMOTOR(서보모터) 사양 | | 서보모터 저관성,소용량 정격회전속도 3000r/min 정격출력용량 750W 표준모터 | - 특 징 | | 소용량 저관성 | HF-KP73 | | 일반산업기계에 최적입니다.(예:벨트구동, 섬유기계등) | CAD FILE DOWN | 
| 
|
| | 고정밀도를 실현 | | 262,144 pulse/rev (18bit)의 고분해능 엔코더에 의한 고정밀 운전 | | 최대회전속도 6000r/min으로, 고속위치결정이 가능 | | | |
| ● 성능,특성 | 서보모터시리즈 | HF-KP 시리즈(저관성.소용량) | 형명 사양 | 서보모터형명 HF-KP | HF-KP73 | 서보앰프형명(주9) MR-J3- | | 서보 모터 | 전원설비용량(주2) (kVA) | 1.3 | 연속특성 | 정격출력용량 (W) | 750 | 정격토크 (N·m) | 2.4 | 최대토크 (N·m) | 7.2 | 정격회전속도 (r/min) | 3,000 | 최대회전속도 (r/min) | 6,000 | 순시허용회전속도 (r/min) | 6,900 | 연속정격토크시의파워레이트(kW/s) | 39.9 | 정격전류 (A) | 5.2 | 최대전류 (A) | 15.6 | 회생브레이크빈도(회/분)(주3, 4) | 140 | 관성모멘트 ( )는B 부착 | 1.43(1.63) | 권장부하관성모멘트비(주6) | 서보모터 관성 모멘트의 15배 이하 | 속도·위치검출기J (×10-4kg·m2) | 앱솔루트·인크리멘털 공용 18비트 엔코더 (서보모터 1회전당 분해능 : 262144p/rev) | 장 비 품 | 오일실 부착 모터도 대응 가능합니다. (HF-KPㅁJ) | 절 연 등 급 | B 종 | 구 조 | 전폐·자연냉각(보호방식 IP65)(주4) | 환경 | 주 위 온 도 | 0∼40℃(동결하지 않을 것), 보존 : -15∼70℃(동결하지 않을 것) | 주 위 습 도 | 80%RH이하(결로가 없을 것), 보존: 90%RH이하(결로가 없을 것) | 분 위 기 | 실내(직사광선이 닿지 않을 것), 부식성 가스·인화성가스·오일미스트·먼지가 없는곳 | 표고/진동(주5) | 해발 1000m이하/ X, Y : 49m/s2 | 질량(kg) ( )는 BRAKE 부착 | 2.9(3.9) |
| 주) 1. 전원설비용량은 전원 임피던스에 따라 바뀝니다. 2. 회생 브레이크 빈도는 모터가 1대일때, 회생옵션없이 정격 회전속도로부터 감속 정지하는 경우의 허용빈도를 나타냅니다. 단, 부하를 주는 경우, 표의 값 1/(m+1)이 됩니다. (m=부하 관성모멘트/모터 관성모멘트) 또한 정격회전속도를 초과할 경우, 회생 브레이크 빈도는 (운전속도/ 정격속도)의 2승에 반비례합니다. 운전 회전속도가 빈번히 바뀔 경우, 상하로 구동되어 상시 회생상태가 되는 경우는, 운전시의 회생발열량(W)을 구하여 허용 회생전력(W)을 넘지 않도록 하십시오. 각 시스템에 의해 최적의 회생 저항기가 다르므로 용량 선정 소프트웨어를 사용하여 최적의 회생 저항기를 선정 하십시오. 회생 저항 허용 회생 전력에 대해서는 본 카다로그의「옵션●회생 옵션」을 참조 하십시오. 2-1. 정격 회전속도로부터 감속정지하는 경우는 실효토크가 정격토크 범위내라면 회생빈도에 제약은 없습니다. 최대 회전속도로부터 감속정지하는 경우는 8배 이하의 부하관성 모멘트인 동시에 실효토크가 정격토크 범위내라면 회생빈도에 제약은 없습니다. 2-2. 정격 회전속도로부터 감속정지하는 경우는 실효토크가 정격토크 범위내라면 회생빈도에 제약은 없습니다. 최대 회전속도로부터 감속정지하는 경우는 4배 이하의 부하관성 모멘트인 동시에 실효토크가 정격토크 범위내라면 회생빈도에 제약은 없습니다. 3. 서보모터의 부하 관성모멘트비가 기재값을 넘는 경우는 상담해 주십시오. 4. 축 관통부는 제외합니다. 단, 감속기 부착의 경우 감속기부분은 IP44에 해당됩니다. 5. 진동 방향은 다음과 같습니다. 수치는 최대값을 나타내는 부분(통상 반부하측 Bracket)의 값입니다. 모터 정지시는 베어링에 플래팅이 발생하기 쉬워지기 때문에 진동을 허용값의 절반 정도로 억제해 주십시오. | 
| ● 전자 브레이크 사양 | 적 용 모 터 형 명 | HF-KP73B | 비 고 | 형 식 | 스프링 제동식 안전브레이크 | | 정 격 전 압 | DC24V 0~-10% | | 정마찰토크(N·m) | 2.4 | | 소비전력(W)at 20℃ | 10 | | 허용제동작업량 | (J )/회 | 64 | | (J )/Hr | 640 | | 브 레 이 크 수 명 (1제동당 제동량)(주1) | 2만회 (64J) | |
| 주) 1. 브레이크 갭(GAP)은 조정할 수 없으므로 제동에 따라 재조정이 필요할 때까지의 기간을 브레이크 수명으로 하고 있습니다. 2. 전자 브레이크는 안전유지용입니다. 제동용도로는 사용할 수 없습니다. | 
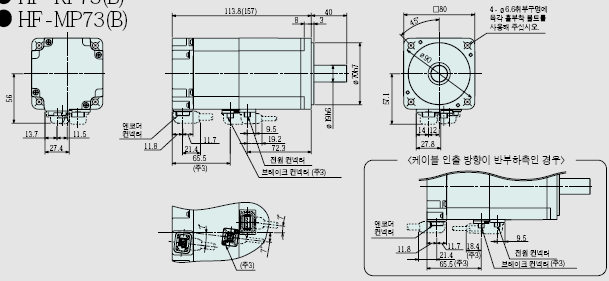
| ● 서보모터 외형도 | ● HF-KP73, HF-KP73B | 
| 
| 형 명 | 변화치수 | L | KL | HF-KP73 HF-KP73B | 113.8(157) | 72.3 |
(치수단위 : mm) | 
| ● 서보모터 HF-KP73 시리즈 토크 특성 | 
| 
|
|