지난 주말에 설치하려 했던 농장대문으로의 전등은 준비만 해놓고 회로 연결은 하지 않았는데요.
길이가 50m정도라서 대문에서 켜면 대문등, 가로등3개가 켜지고 들어가서 소등.
나올땐 농막에서 켜고 대문에서 소등하려 합니다.
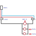
사진과 같이 전구가 1개일때는 선이 3개가 필요한것은 이해가 되는데요.
만약 전등이 2개 이상(대문등/가로등..)일 경우, 모형으로 조립해보니 4가닥의 선이 필요한 것 같은데
1) 전등으로 지나는 Natual(-)선
2)/3) Switch로 나가는 두가닥 선 Live(+)
4) 마지막 Switch에서 전등으로 들어오는 Live(+)선
맞나요????
삭제된 댓글 입니다.
요렇게 하면 되는지요?
삭제된 댓글 입니다.
감사합니다.
잘 알려주셔서...
전기는 정말로 어렵고 특히 무서워요
좋은하루 보내세요.
차단기 에서 전등으로 선이 간것은 잘못된 그림으로 보입니다....
어스선 포함된 세가닥 전선을 이용해서 거실에서 대문까지 이어져야 가능 합니다...
차단기가 꼭 필요한건 아니지요...아래와 같이 하면 거실에서 대문까지 선 하나만 가면 됩니다.
대문 가까운 곳(창고나 문간방..)에서 전원을 끌어와서 스위취에 연결하고 조명등 쪽으로는 역시 한가닥 전선만 필요 하지요..
덕분에 배워서 화장실에 사용할까 합니다
전기 선은 반드시 두가닥이 같이 다녀야 함니다.
3로 잘못 잡아 배선 치면 누전 현상으로 불이 나는걸 명심 하세요.
두가닥? 이라 함은 자력이 상쇄되어 A가 없는 상태가 되어야 함니다.
위 뎃글중 불 인위적으로 만들분들이 좀 계시는듯 함니다.ㅠㅠ
잘 세기시길 바람니다.
쿠룸의 왼손 법칙? 에 따라 자력이 상쇠되어야 한다는것을 명심 또 명심 하세요.
전선? 한선만 지나면 불 남니다.ㅠㅠ
항시 드러 가고 나가고? 두가닥에 접지선? ELB 달면 무시?해도 됨니다만?
드러 가기만 하고 다른데로 나오는 전기 흐름은? 누전 현상 입니다.ㅠㅠ
즉 차량에 불 자주나는것 예들겠 습니다.
차량 DC 라고 가벼이 아라서? + 한가닥만 빼오고? 마이넛스 선
선 차체에 사용처 근방에서 붓처 사용하면? + 선에 전류가 흘러 들기만 해서 자력이 싸여 열이 발생 함니다.
두가닥 선 드러 가고 나가고 가 되면 자력이 상쇠되어 A매터기에 0 가 나오는 것입니다.
전기 사용시 많이양 사용해고 두가닥 한번에 크렘프 미터기에 물고 재보면 0 입니다.
허나 한가닥만 지나면 자력이 발생만 하고 상쇠가 안되어 열이 피복에서 발생하는 것입니다.
즉 일반 전기로 돌아와서? ELB 에서 출발한 전기가? 한가닥 누전이 되면 드러 가는 전류만 체크? 되어 지고 나오는 전류는 대지로 빠저서 전주로 돌아 감니다.
그럼 ELB 가 누전으로 생각해 차단 되는 것입니다.
드러가고? 나오고? 두가닥 같은 양에 A 가 흐르개 되어
@들판짱 자력이 상쇠되어 열이 없써진다?는 것입니다.ㅠㅠ
ELB에서 출발한 전원? 두가닥을 서로 뛰어 갈라 노우면? 계기상 누전은 아니지만?
떠러진 선으로써는 누전이 되는 것입니다.
이거는 전기? 기초 입니다.ㅠㅠ
제발 불만 네지 마시길 부탁함니다.ㅠㅠ
3로 선에 작은 전구 하나인데? 가벼이 생각하신다면? 반드시 불 남니다.ㅠㅠ
위에 나열한 이론 대로 어느날 사용자 운이 다한는날? 불이 남니다.ㅠㅠ
강제 누전을 시켜 보면? 불 안남니다.ㅠㅠ
이론상? 불 난다 하는데? 사용자가 운이 다하는날? 한순간 타드러 감니다.
이런 이유로 차량 전기선 함부로 손대면? 달리던 차량에 불이 남니다.ㅠㅠ
휴즈도 있고? 안전 장치 있써도? 운? 다하면 차단이
@들판짱 차단이 안되고 차에 불이 붇어 버리는 것으로 암니다.
일부러 집에? 누전 만드러 노우면 누가 감당을 할수가 없습니다.ㅠㅠ
분명한것은? 뎃글중 불 만들수 있는 뎃글이 존재해 설명이 기러젖습니다.ㅠㅠ
양해 하시길.......
질문자 첫 뎃글 중? 1234?전기선 을 모두 한 전기 파이프 이용해 설치 하면 정답입니다.ㅠㅠ
마지막 뎃글자 최악 입니다.ㅠㅠ
전원이 스위치로 내려 오는것도 그럿코?
여기서 따고 저기서 따넨 전기는 불? 당연 남니다.ㅠㅠ
같은 차단기 전원 이어도 그럿습니다.ㅠㅠ
단순히 단로 회로에 스위치 증설 하시면 증설 스위치 까지 단로 스위치에서 관을 세로 증설 스위찌 까지 하시고? 관에 3가닥 전선 입선 하면? 3로가 됨니다.
단로? 기존 스위치 박스에서 세로 만든 선 3가닥하고 기존 두가닥 총 5가닥 선이 됨니다.
3로는 3 개선만 필료함니다.?
기존 스위치 두가닥중 하나와? 세로 만든 3가닥? 선중 하나 쪼인 해 태이핑 처리 하시면?
기존에 3
기존에 스위치 뽁스에 3가닥이 됨니다.(5가닥에서 두가닥 쪼인이 되어 .....)
그럼 이 3가닥선을 골라서 스위치에 꼽아 주면 되구요.
세로 만든 스위치 선도 골라서 스위치에 꼽아 주면? 3로 동작함니다.
등 여러개? 추가 하는건 나온 등선 병열 로 연결 하시면 됨니다.
요상한 방법? 불 날수가 있다? 명심하세요.
싸우지들 마세요.
이미 전기선은 내방식대로 연결하여 잘 작동하는 것을 확인 했네요.정답이든 오답이든
모든분들께